上海港捷联科技有限公司
首页
关于我们
产品中心
应用场景
行业领域
新闻资讯
下载专区
联系我们
首页
⊙
减速机
⊙
新宝减速机
⊙
新宝谐波减速机WPC
当前位置:
产品中心
PRODUCT
伺服
传感器
上位控制器
触摸屏
减速机
精密行星减速机
新宝减速机
直线电机
线材与接头
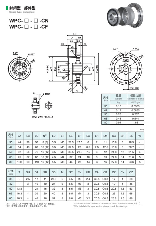
新宝谐波减速机WPC
新宝谐波减速机WPC
0.00
0.00
商品信息
商品描述
新宝谐波减速机WPC
上一个:
新宝谐波减速机WPS
下一个:
新宝减速机VRB系列